×
Pictures Posting Not Working (12 Jun 2023)
Picture uploads is again unavailable. We are working on the problem. Thanks for your patience.
Makotosun
75' DT250 : Oil Pump Drive Shaft Question?
- heick
-
Topic Author
- Offline
- New Member
-
- Posts: 9
- Likes received: 2
75' DT250 : Oil Pump Drive Shaft Question? was created by heick
Can't see an image, but imagine the top left corner of the pump, where it screws into the case, has completely snapped, broke, separated.
- Any Ideas what may have caused it?
- Must have been some good force?
- Possibly the Drive Shaft had something to do with it?
- I'll need to start sourcing a good used pump
Drive Shaft
- Also, when removing the pump, the shaft came out with the pump, easily
- Is that right?
- Does the shaft need to be tap into place, to secure it, or does it just sit in there, in the slotted area?
- Once in place you should not be able to turn the shaft by
I've tried searching the manuals I have for answers, but no luck so far.
TY in Advance!
- Any Ideas what may have caused it?
- Must have been some good force?
- Possibly the Drive Shaft had something to do with it?
- I'll need to start sourcing a good used pump
Drive Shaft
- Also, when removing the pump, the shaft came out with the pump, easily
- Is that right?
- Does the shaft need to be tap into place, to secure it, or does it just sit in there, in the slotted area?
- Once in place you should not be able to turn the shaft by
I've tried searching the manuals I have for answers, but no luck so far.
TY in Advance!
29 Oct 2025 12:50
#1
Please Log in or Create an account to join the conversation.
- RT325
-
- Offline
- Platinum Member
-
- Posts: 10840
- Likes received: 4702
Replied by RT325 on topic 75' DT250 : Oil Pump Drive Shaft Question?
Shaft should stay in place but in saying that I wonder if I'm wrong without looking at a parts list as don't they go direct into the crank? with a flat drive like a screwdriver. Whatever, you have a problem. Has someone added a washer to the shaft setting it out too far. Possibly just been refitted with part of the gasket missing on that corner & broke the ear off. Just my take on it with no pics. The old no pic problem will resolve after X amount of posts I believe but must come from an external source, not direct, if you're new. Sorry can't look back on my phone without loosing everything. Welcome if ya new & carry on as normal if ya not Cheers.
The following user(s) Liked this Post: AirborneSilva
Please Log in or Create an account to join the conversation.
- RT325
-
- Offline
- Platinum Member
-
- Posts: 10840
- Likes received: 4702
Replied by RT325 on topic 75' DT250 : Oil Pump Drive Shaft Question?
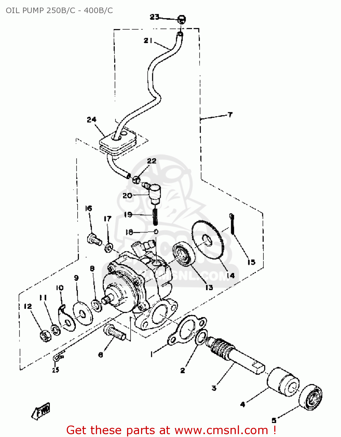
Ok i was wrong. Here's the schematic showing it just pulls out. I see it shows a washer too on the pump end so you'd need to be careful it doesnt drop off & stay loose in the pump body when removing the shaft. I guess none of that helps as to why it broke though. images.cmsnl.com/img/partslists/yamaha-d...yau1068a-11_46fb.gif
Please Log in or Create an account to join the conversation.
- SKYDANCER46
-
- Offline
- Site Supporter
-
- Posts: 490
- Likes received: 589
Replied by SKYDANCER46 on topic 75' DT250 : Oil Pump Drive Shaft Question?
You don't say when and how it broke? Was the engine running when it broke? Did anything else happen? Were you installing the pump tightening the screws and it broke the housing? Or did you just notice a oil leak and went to check it and notice the pump was broke?
Please Log in or Create an account to join the conversation.
Moderators: yamadmin, Makotosun, DEET, Vinnie, James Hart
